Gerbang Logika merupakan suatu entitas dalam elektronika dan matematika boolean yang mengubah satu atau beberapa masukan logik menjadi sebuah sinyal keluaran logik.
Gerbang logika atau sering juga disebut gerbang logika boolean merupakan sebuah sistem pemrosesan dasar yang dapat memproses input-input yang berupa bilangan biner menjadi sebuah output yang berkondisi yang akhirnya digunakan untuk proses selanjutnya.
Macam-Macam Gerbang Logika :
Macam-Macam Gerbang Logika :
![]() |
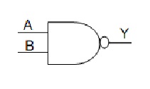
| Gerbang AND |
- Gerbang AND Gerbang AND akan berlogika 1 atau keluarannya akan berlogika 1 apabila semua masukan / inputannya berlogika 1, namun apabila semua atau salah satu masukannya berlogika 0 maka outputnya akan berlogika 0. Tabel Kebenaran
- Gerbang OR
Gerbang OR akan berlogika 1 apabila salah satu atau semua inputan yang dimasukkan bernilai 1 dan apabila keluaran yang di inginkan berlogika 0 maka inputan yang dimasukkan harus bernilai 0 semua.
Gambar Gerbang OR
Tabel KebenaranInput A Input B Output 0 0 0 0 1 1 1 0 1 1 1 1
- Gerbang NOT
Gerbang NOT berfungsi sebagai pembalik (Inverter), yang mana outputnya akan bernilai terbalik dengan inputannya.
Tabel Kebenaran
Gambar Gerbang NOT
Input Output 0 1 1 0 - Gerbang NAND
Gerbang NAND akan bernilai / outputnya akan berlogika 0 apabila semua inputannya bernilai 1 dan outpunya akan berlogika 1 apabila semua atau salah satu inputannya bernilai 0.

Gambar Gerbang NAND
TABEL KEBENARAN
Input A Input B Output 0 0 1 0 1 1 1 0 1 1 1 0
- Gerbang NOR
Gerbang NOR merupakan gerbang logika yang outputnya akan berlogika 1 apabila semua inputannya bernilai 0, dan outpunya akan berlogika 0 apabila semua atau salah satu inputannya inputannya berlogika 1.
Tabel Kebenaran
Gambar Gerbang NOR
Input A Input B Output Y 0 0 1 0 1 0 1 0 0 1 1 0
- Gerbang XOR
Gerbang XOR merupakan kepanjangan dari Exclusive OR yang mana keluarannya akan berlogika 1 apabila inputannya berbeda, namun apabila semua inputanya sama maka akan memberikan keluarannya 0.
Tabel Kebenaran - Gerbang XNOR
Gerbang XOR merupakan kepanjangan dari Exclusive NOR yang mana keluarannya akan berlogika 1 apabila semua inputannya sama, namun apabila inputannya berbeda maka akan memberikan output berlogika 0.

Gerbang XNOR
Tabel Kebenaran
| Input A | Input B | Output |
| 0 | 0 | 0 |
| 0 | 1 | 0 |
| 1 | 0 | 0 |
| 1 | 1 | 1 |
![]() |
| Gambar Gerbang XOR |
| Input A | Input B | Output X |
| 0 | 0 | 0 |
| 0 | 1 | 1 |
| 1 | 0 | 1 |
| 1 | 1 | 0 |
| Input A | Input B | Output X |
| 0 | 0 | 1 |
| 0 | 1 | 0 |
| 1 | 0 | 0 |
| 1 | 1 | 1 |
Blog RSS Feed
HME FT UNRAM

20 komentar:
mantap
ok..,ternyata belajar plc,gampang2 susah y...
siiipppp
penjelasan yang simpel dan pdat...keren!!!
yah ampun terimakasih singkat, pada, jelas
thanks gan (y)
mkasih sob tutorialnya . . .
htpp://sahrulgun.blogspot.com
maksih sob tutorialnya. .
http://sahrulgun.blogspot.com
terimakasih ya kawan
makasih supep
makasih min, sangat membantu.
http://dunialesmana.blogspot.com/
thank you boss
Mantaps gan, buat tambahan aja gan, kalo pengen tau perbandingan antara analisis versi manual dengan komputer, selengkapnya ada disini, semoga bermanfaat, thanks
ANALISIS RANGKAIAN GERBANG LOGIKA UNIVERSAL MENGGUNAKAN CARA MANUAL DAN COMPUTER
Terimakasih.. sangat membantu :)
thank's atas materinya gerbang logika
Bagu gan. Chap-articlobal.blogspot.com
izin share ya :)
http://ferdyajisatrio.blogspot.co.id/
thank's gan
Terima Kasih.Sangat Membantu
Posting Komentar